De Mule Jenny doorgelicht
Spinnen is het rekken en torsen van vezels om ze om te vormen tot draad. Manueel draadspinnen is enorm tijdrovend. De productie van 10 spinners is begin 18de eeuw amper voldoende om één weefgetouw of wever aan het werk te houden.Vooral in Engeland volgen de pogingen en uitvindingen om het spinnen te mechaniseren elkaar in sneltempo op.
James Hargreaves ontwerpt tussen 1764 en 1767 de eerste bruikbare spinmachine. Zijn “spinning jenny” (verbastering van “spinning engine”) wordt manueel aangedreven. Maar ze kan tot acht draden tegelijk spinnen. Het “waterframe” of de waterspinmachine van Richard Arkwright uit 1769 is meer geschikt voor het spinnen van dikkere draden. Maar ze kan worden aangesloten op waterkracht. Samuel Crompton (1753-1827) combineert in 1779 de techniek van de “spinning engine” met de techniek van het “waterframe”. Zijn “spinning mule” of “mule jenny” (spinnende muilezel omdat het een kruising is van de twee vorige uitvindingen) kan tot 48 draden tegelijk spinnen. Ze werkt semiautomatisch. Het spinnen gebeurt op waterkracht of de energie van een stoommachine. Voor het opwinden van de gesponnen draad is nog de mankracht van de spinner nodig.
De Mule Jenny van Samuel Crompton is een groot succes. De werking van de machine wordt steeds verbeterd. In 1790 zijn er al exemplaren met 150 spillen. Ze kunnen gelijktijdig evenveel draden spinnen. Om de concurrentiële voorsprong te behouden verbiedt de Engelse overheid de export van spinmolens of onderdelen ervan naar het continent. Spinners en techniekers krijgen een uitreisverbod. Wie de overtocht maakt, kan nooit meer terug.
Toch slaagt Gentenaar Lieven Bauwens (1769-1822) erin om in 1797-98 in het Franse Passy zelf mule jennys te construeren. In 1800 start hij een spinnerij in het oude Kartuizerklooster in Gent. Amper een jaar later opent hij een tweede vestiging in het Norbertijnerklooster van Drongen. Ook de Gentse gevangenis of rasphuis vormt Bauwens om tot textielfabriek. Gent wordt een textielstad, het Manchester van het vasteland.
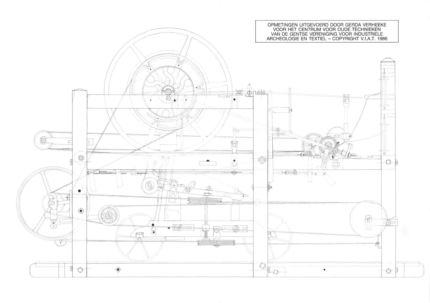
De machines werden in 1979 in samenwerking met het Textielinstituut Henri Story grondig gerestaureerd en overgebracht van het Gravensteen naar het Gewad, waar het Museum voor Industriële Archeologie en Textiel, het huidige Industriemuseum, een eerste onderkomen kreeg.
Vier decennia later stelt het museum nog steeds alles in het werk om de bezoeker op de meest aangename en duidelijke manier de betekenis, de waarde en de complexe werking van dit, sinds 2009 door de Vlaamse Overheid erkend topstuk, over te brengen. Het is een uitdaging die met de jaren groter wordt. Maar gelukkig evolueren ook de wetenschap en de techniek waardoor het mogelijk is om nieuwe historische aspecten en inzichten rond de werking van deze mysterieuze “Jenny” bloot te leggen.
MULE JENNY IN 3D SCANNEN EN ANIMEREN
Het museum stelt de fysieke veiligheid van haar collectiestukken zoveel mogelijk voorop. Maar de veroudering van de materialen waaruit de machine is gemaakt, verhoogt de kans op breuken. Het demonstreren veroorzaakt bovendien slijtage. En steeds minder mensen hebben nog de kennis en behendigheid om met de spinmolen te werken. Begin jaren 1990 werd de laatste video-opname gemaakt die de spinmachine in volle actie toont.
Als topstuk neemt de Mule Jenny ongetwijfeld een prominente plaats in binnen de hoofdopstelling. Daarom zoekt het museum een innovatieve presentatie om de werking ervan aan het publiek voor te stellen. De eerste experimenten met 3D-scanning en animatie zijn veelbelovend.
De Mule Jenny werd zowel met een 3D statief- als met een 3D handscanner volledig gescand. Het resultaat van het scanwerk is een puntenwolk. Deze scangegevens zijn zo precies en bevatten zoveel informatie, dat ze ook in de toekomst nog bruikbaar zijn voor latere opmetingen van de mule jenny of voor het tekenen van technische plannen.

Het resultaat van de 3D scanactiviteiten is een puntenwolk.

Op basis van de puntenwolk wordt een vereenvoudigde polygoonmodel gemaakt.
Geanimeerd polygoonmodel van de Mule Jenny.
DE GEHEIMEN VAN DE MULE JENNY
De Mule Jenny die in het Industriemuseum te bewonderen is, heeft nog enkele geheimen. We hopen ze in de komende jaren te ontrafelen.
De machine wordt tussen 1884 en 1899 door dhr. De Coster aan het toenmalige Oudheidkundig Museum geschonken. De firma De Coster & Rousseau is een verderzetting van de spinnerij van Lieven Bauwens aan het Fratersplein. Samen met de rest van de museumcollectie wordt de Mule Jenny tentoongesteld in de kerk van de geschoeide karmelieten aan de Lange Steenstraat, het Caermersklooster. Eind jaren 1920 verhuist deze collectie naar het Bijlokemuseum waar de Mule Jenny samen met andere oude machines een plaats krijgt in de voorraadkamer onder de abdijrefter. Door plaatsgebrek verhuizen de werktuigen en machines in 1965 naar het Gravensteen. Daar worden ze tot de oprichting van het MIAT in 1978 bewaard.
De Mule Jenny opgesteld in de kerk van de geschoeide karmelieten aan de Lange Steenstraat (het Caermersklooster). © Hersleven, Jacques KIK-IRPA Brussel cliché A112322
Hoewel er een link is tussen Lieven Bauwens en de textielfabriek De Coster & Rousseau kunnen we niet met zekerheid zeggen dat de Mule Jenny in de collectie van het Industriemuseum hét bewuste exemplaar is dat Bauwens illegaal uit Engeland smokkelde. Misschien dat dendrochronologisch onderzoek ons in de toekomst meer uitsluitsel geeft.
DENDROCHRONOLOGIE
Als kind hebben we allemaal wel eens de groei- of jaarringen van een boom geteld. Ze ontstaan doordat de boom in de zomer sneller groeit dan in de winter. Iedere ring markeert dus een levensjaar. Het aantal jaarringen weerspiegelt ongeveer de leeftijd van de boom. Ook veranderingen in het klimaat kunnen de groei beïnvloeden. Langere droogte of overvloedige regen veroorzaken smallere of dikkere jaarringen. Bomen die in dezelfde omgeving groeien en blootgesteld zijn aan dezelfde weersomstandigheden vertonen dus een gelijkaardige groei. Door de jaarringen van jonge en oudere bomen uit een zelfde regio achter elkaar te plaatsen, creëren wetenschappers een soort houten tijdslijn. Hiermee kunnen ze steeds verder teruggaan in de tijd. Ze doen aan dendrochronologie of jaarring(en)onderzoek.
Deze wetenschap laat toe om houten voorwerpen te dateren. Onderzoekers van het Koninklijk Instituut voor Kunstpatrimonium (KIK) in Brussel analyseren momenteel de Mule Jenny. Door de studie van de houtsoort en de jaarringen is het theoretisch mogelijk om de machine beter te dateren en aan te duiden in welke regio het hout gekapt werd. Is Jenny “a Manchester lass”, “une Parisienne” of een echte Gentsche? Wordt vervolgd.
Voor de animatie dient natuurlijk elk bewegend onderdeel correct te worden geanimeerd, zodat alle radertjes in de juiste richting draaien.




